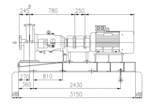
Back-pressure Steam Turbine
Bp.45-2.9/0.456/380
Speed: 2950 RPM, Power: 450KW;
Inlet Pressure: 20-33 bar,
Outlet Pressure: 4.5 ATA; Steam
Temperature: 350-410℃;
Equipped with No. 04 Sleeve Radial Bearing and forced lubricating oil system;
Including PLC local control cabinet, quick-closing valve, regulating valve, turning gear, protective cover






